G510 is a GPRS-based communication module introduced by Fibocom. This document describes how to connect a MCU to Gizwits IoT Cloud via the G510 module so as to realize the communication scheme, which covers the G510 module pin description, SIM card wiring, power supply requirements, serial port definition, and firmware downloading etc. Please refer to the following information when connecting devices to Gizwits IoT Cloud to avoid unknown errors. .

The module contains a SIM card interface that complies with the GSM 11.11 and GSM 11.12 standards (based on ISO/IEC 7816), which define the electrical characteristics, signaling and protocol specifications of the GSM SIM card.
The module does not contain a SIM card slot which should be placed on the user development kit outside the module. The module’s SIM card interface incorporates all necessary signals that are connected to a interface connector and then totally connected to an external SIM card. The module supports automatic frame recognition of 1.8V or 2.85V level. When the module is power-on, SIM_VCC first supplies 1.8V output voltage to the external SIM card in order to establish communication. If it failed to establish communication, SIM_VCC will again output 2.85V and help establish communication with the SIM card.

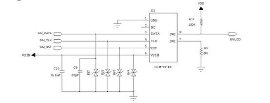
The figure below shows a typical SIM card interface that can attach to the module. This type of connection is implemented using the MOLEX (PN 912283001 & 912360001) SIM card slot on the development kit.
Regardless of whether SIM_CD is used or not, it must be pulled up to ensure the stable detection to SIM card. The internal pull-up on SIM_DATA is active and connected to SIM_VCC, so SIM_DATA does not need external pull-up again.

The design of the SIM interface and signals is especially important. In order to meet design standards and specifications, the following points are the design guidelines that must be followed:
The module must be provided with a separate, external DC power supply in the range of 3.3V to 4.5V, which should allow 2.0A of current to flow within this voltage range. It is the instantaneous current during GSM transmitting time slots. The module provides 2 pins that are powered by an external supply, as shown in the following table.
| No | Name | Description |
|---|---|---|
| 9 | VBAT | DC power supply VBAT = 3.3 V to 4.5 V |
| 10 | VBAT | Recommended voltage:4.0V |
GSM uses the time-division multiple access scheme, which causes instantaneous current fluctuations during transmitting time slots, and leads to voltage ripple phenomenon. These frequent voltage ripples will degrade the module performance if not handled properly. It is recommended to limit the ripple to 300mV or less. In any case, the module’s power supply voltage should not be lower than its minimum value. In order to reduce the ripple impact on the power supply, we recommend:
| Recommended capacitance value | Function | Description |
|---|---|---|
| 1000 uF | Current ripple | Reduce the impact on the power supply during transmitting time slots, use bulk capacitors whenever possible |
| 10 nF, 100 nF | Digital switching noise | Filter out noise caused by clock signals and digital signals |
| 8.2 pF, 10 p | DCS1800/PCS1900 MHz GSM band | Filter out clutter caused by GSM high-band transmission |
| 33 pF, 39 pF | GSM850/GSM900 MHz GSM band | Filter out clutter caused by GSM low-band transmission |
The G510 module has three UART serial ports.
| No | Name | Description |
|---|---|---|
| 19 | UART1_TXD | Send data |
| 18 | UART1_RXD | Receive data |
| 21 | UART1_CTS | Clear to send |
| 20 | UART1_RTS | Request to send |
| No | Name | Description |
|---|---|---|
| 40 | UART1_TXD | Send data |
| 39 | UART1_RXD | Receive data |
For more information on the G510 module, please visit the Fibocom website at http://www.fibocom.com.cn/down.aspx?FId=n14:14:8.
For more information on accessing Gizwits IoT Cloud, please visit Gizwits Documentation Center at http://docs.gizwits.com/en-us/overview/overview.html.
For G510 module soldering, see the schematic diagram below to connect the following pins with DuPont cables.
| Pin | Parameter |
|---|---|
| 1 | GND |
| 10 | VBAT |
| 19 | UART1_TXD |
| 18 | UART1_RXD |
| 14 | POWER_ON |
Connect a USB-to-TTL converter to the PC and check the COM port where the converter is located.

Connect the USB-to-TTL converter to the soldered G510 module using DuPont lines.

Download the corresponding GAgent firmware file for the G510 module and launch the firmware downloading tool Fibocom_upgrade V1.3.

First cut off the power supply to the module (you can disconnect the DuPont line of VCC).
Configure Fibocom_upgrade V1.3 as shown below.

Reconnect the DuPont line of VCC for the module power supply. Set power_on to low (connected to GND). The firmware downloading tool will run automatically.
If the firmware downloading fails, the module may not be powered on. Check the G510 on-off state. When the VDD pin has the voltage level of 0V, the G510 is turned off. When the voltage level is greater than 2.85V, the G510 is turned on.
When the POWER_ON pin is low and it continues for more than 800ms, the module will power on.

| G510 Pin | USB-to-TTL convertor |
|---|---|
| 1:GND | GND |
| 10:VBAT | VCC |
| 39:UART2_RXD | TRX |
| 40:UART2_TXD | TXD |
Configure Gizwits XPG tool as below. For more information, see here.

| G510 Pin | USB-to-TTL converter |
|---|---|
| 1:GND | GND |
| 18:UART1_RXD | TRX |
| 19:UART1_TXD | TXD |
Note: The baud rate is: 115200. Since the SIM card is not inserted, the module cannot be connected to the network and it will always report errors.
