文档中心
本文针对合宙Air202模组进行串口模式烧写流程整理了一篇操作流程。合作厂商在进行模块烧写操作时请依次按照如下步骤进行,否则会产生不可控的错误。
以项目的形式向机智云FAE同事申请Air202 lod 固件。
解压之后会发现有两个文件夹,其中一个文件夹为“量产升级用.lod文件”,该文件夹中包含一个.lod文件为我们烧录所需要的固件,例如:00AIR202_04030009_Luat_V0027_8955_SSL.lod。
备注:文件夹名为”远程升级用.bin文件”中的.bin文件为OTA的固件,例如:00AIR202_04030009_Luat_V0027_8955_SSL.bin。
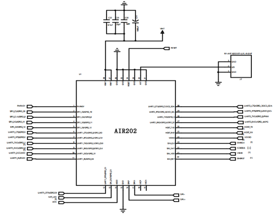
Air202模组的UART1主串口用于与MCU进行串口通信,其简易通信接线如图3-1所示;调试串口HOST用于固件烧录和打印日志,其通信接线如图3-2所示:

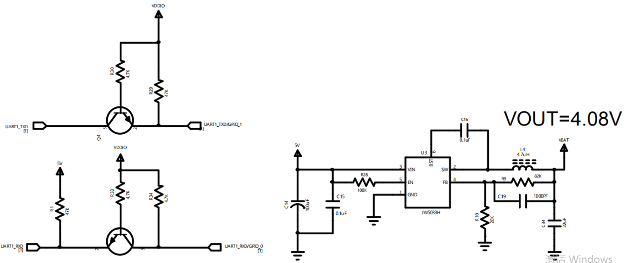
图3-1 UART1三线制连接方式示意图

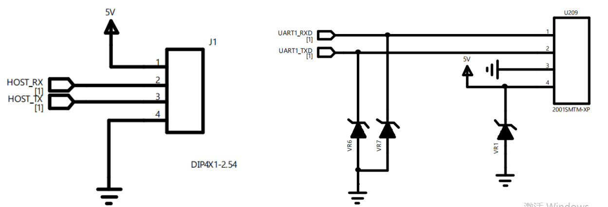
图3-2 软件调试串口连线图
Air202模组在产品中实际搭建线路时,可参考官方转接板线路图进行连线,如图3-3所示:




打开合宙官网:http://www.openluat.com/
选择上面的“产品中心”,随便选一个产品,如:Air202 GPRS 通信模块
点击模块介绍那边的“资料下载”选项卡
点击“[LuaTools] Luat下载调试工具x.x.x”下载
可以直接打开下面链接下载:
http://www.openluat.com/Product/file/rda8955/luatools-redirect.html
下载后可能会进行自动升级,这个工具基本上是持续使用,都不会出现版本过旧的问题。

↑软件界面
如果软件模式不是2G模式,点击“切换模式”→“切换至2G”

模块输入电压为5V,接软件调试串口HOST。
我以烧录的00AIR202_04030009_Luat_V0027_8955_SSL.lod为例,首先在调试工具中确保串口选项卡的串口为你设备的串口值,点击下载LOD(core)按钮,选中之前在工具目录的lod文件:


固件烧录中

烧录完成
