G510是广和通推出的一款基于GPRS的通讯模组,本篇通过讲述如何通过G510模组把MCU接入到机智云云端,并实现通讯的方案。全篇文章的内容包括G510模组的管脚介绍、SIM卡连接、供电要求、串口定义以及固件烧写方法等,合作厂商在进行设备接入时请参照以下资料进行,以免造成不可控的错误。

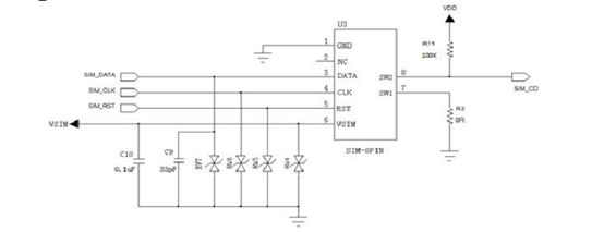
模块包含了一个 SIM 卡接口,这个接口符合 GSM 11.11 和 GSM 11.12 标准(基于 ISO/IEC 7816) 。
这些标准定义了 GSM SIM 卡的电气特性、 信令和协议规范。
模块不包含 SIM 卡槽。SIM 卡槽必须放在模块外部的用户开发板上。模块的 SIM 卡接口包括了所有必须的信号,这些信号被接到接口连接器,直接并全部连接到外部的 SIM 卡。模块支持 1.8V 或者 2.85V 电平自动识别。当模块在开机后,首先 SIM_VCC 向外部 SIM 卡输出 1.8V电压来建立通信。如果通信不成功,SIM_VCC 会再次输出 2.85V 电压,并和 SIM 卡建立通信。

下图显示了一个典型的 SIM 卡接口,连接到模块。在模块开发板上,使用 MOLEX (PN 912283001 &912360001)SIM 卡槽,来实现这种连接方式。
无论 SIM_CD 是否使用,都必须上拉,保证 SIM 卡的检测稳定。模块内部已经将 SIM_DATA 信号上拉到 SIM_VCC,外围无需再上拉。

SIM 卡接口和信号的设计特别重要。为了满足设计标准和规定,以下几点是必须要遵循的设计准则:
SIM 卡的位置以及 SIM 信号的走线,必须远离任何可能的电磁干扰源,像射频天线和数字开关信号等。
在模块接口连接器和 SIM 卡槽之间,SIM 卡走线长度不应超过 100mm,这样满足 EMC 法则,同时提供信号的完整性。
为了避免 SIM 卡时钟和数据信号 (SIM_CLK 和 SIM_DATA) 之间的串扰,建议在开发板上将它们隔开,最好是由大地隔开。
SIM 卡信号应使用低容性的保护性元器件进行 ESD 保护。建议使用 AVR M1005C270MAAB(TDK) ,并且 ESD 器件应该布局在 SIM 卡的附近
模块必须由外部3.3V 到4.5V的直流电源单独供电, 而且电源必须在此电压下允许有 2.0A 的电流通过,此电流只是在 GSM 的时隙发送时的瞬态电流。 模块提供 2 个管脚由外部来供电,如下表
| 管脚号 | 管脚名 | 描述 |
|---|---|---|
| 9 | VBAT | 直流电源 VBAT = 3.3 V to 4.5 V |
| 10 | VBAT | 推荐电源电压:4.0V |
GSM 是时分多址,在发送时隙时会导致瞬时电流波动,由此会出现电压纹波现象。此时如果不处理妥当,这些频繁的电压纹波将会降低模块的性能。建议将此纹波控制在 300mV 以内。在任何情况下,模块的供电都不应该低于它的最小电压。为了降低纹波等对电源的影响,我们建议:
| 推荐的容值 | 功能 | 描述 |
|---|---|---|
| 1000 uF | 电流纹波 | 降低发送时隙时对电源的影响,尽可能使用大容量电容 |
| 10 nF, 100 nF | 数字开关噪声 | 滤除由时钟,数字信号引起的噪声 |
| 8.2 pF, 10 p | DCS1800/PCS1900 MHz GSM 频段 | 滤除由 GSM 高频段传输中带来的杂波 |
| 33 pF, 39 pF | GSM850/GSM900 MHz GSM 频段 | 滤除由 GSM 低频段传输中带来的杂波 |
G510 有 3 个 UART 串口。
| 管脚号 | 管脚名 | 描述 | 性能 |
|---|---|---|---|
| 19 | UART1_TXD | 模块发送数据 | 模块发送数据 |
| 18 | UART1_RXD | 推模块接收数据 | 模块接收数据 |
| 21 | UART1_CTS | 清空发送 | 模块切换接收 |
| 20 | UART1_RTS | 请求发送 | 模块提醒 DTE 接收 |
| 管脚号 | 管脚名 | 描述 | 性能 |
|---|---|---|---|
| 40 | UART1_TXD | 模块发送数据 | G510发送数据 |
| 39 | UART1_RXD | 推模块接收数据 | G510接收数据 |
如需获取更多的G510模组参考资料,请点击以下链接进行下载:
G510模组电路焊接:参照下方电路图,使用杜邦线连接以下管脚
| 管脚 | 参数 |
|---|---|
| 1 | GND |
| 10 | VBAT |
| 19 | UART1_TXD |
| 18 | UART1_RXD |
| 14 | POWER_ON |
电脑插入USB转TTL串口模块,查看模块所在COM口

使用杜邦线将USB转TTL串口模块与焊接好的G510模组连接。

下载G510的相对应的GAgent固件,打开烧写工具Fibocom_upgrade V1.3。

先断开模组的供电(可拨掉VCC的杜邦线)。
按照下图配置Fibocom_upgrade V1.3

重新接上模组的VCC供电,把power_on打到低电平(接GND),烧写工具会自动运行。
如果烧写失败,可能是模组还没开机,检查G510 开关机状态,VDD管脚电平为 0V 时,G510 处于关机状态,电平大于 2.85V 时,G510 处于开机状态。
当 POWER_ON 管脚信号为低电平并且持续超过 800ms 时,模块将开机。

1.使用杜邦线将USB转TTL串口模块与G510模组的UART2(注意:和烧录固件的不是同一串口)连接。
| G510模组管脚 | 连接USB转TTL管脚 |
|---|---|
| 1:GND | GND |
| 10:VBAT | VCC |
| 39:UART2_RXD | TXD |
| 40:UART2_TXD | RXD |
2.使用机智云XPG助手模拟MCU功能。
按照下图配置,更多使用方法请点击这里

3.另外,可以再增加一个USB转TTL模块,通过接G510的UART1串口来输出LOG日志,可以看见G510连接GAgent的过程。
| G510模组管脚 | 连接USB转TTL管脚 |
|---|---|
| 1:GND | GND |
| 18:UART1_RXD | TXD |
| 19:UART1_TXD | RXD |
注:波特率为:115200
注意:由于没有连接SIM卡,所以模组无法真正的连上网络,会一直报错。

(包含创建数据点,下载代码,demoAPP配网绑定及控制设备等等)
快速接入文档参考链接:http://docs.gizwits.com/zh-cn/deviceDev/debug/G510_Project.html
备注:模组的串口2,UART2_RXD(RXD)与UART2_TXD(TXD)为与Gokit通讯的通讯串口,通讯波特率为9600bps,具体引脚可以参考“G510模组管脚图”